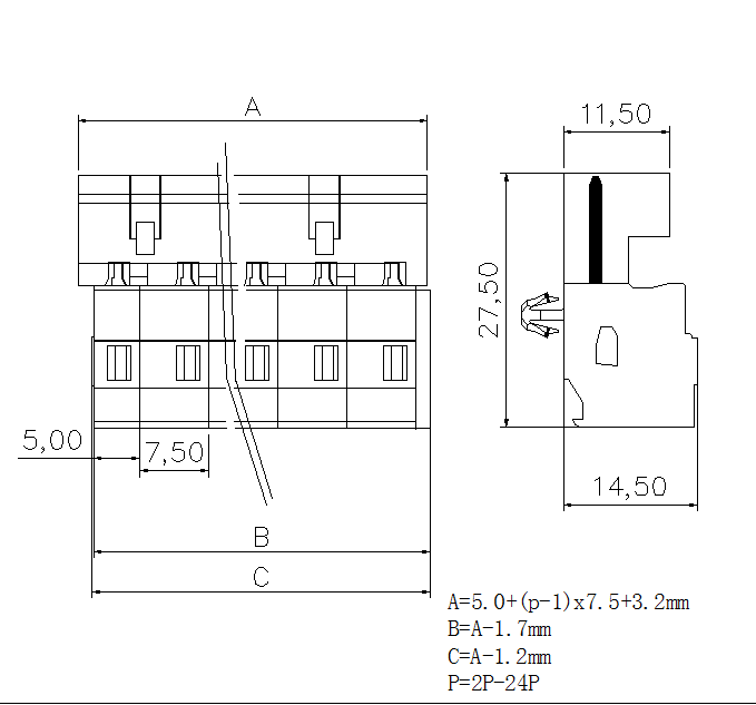
TCZ 7.5 series male connector with pin
model | TCZ 7.5 /003-XXP | ||
bit spacing | 7.5mm _ | ||
number of digits | 2-24P | ||
Wiring range | AWG/mm 2 | 24-14/0.2-2.5 | |
Technical data | IEC | UL | |
Rated voltage | V | 400 | 300 |
Rated current | A | 12 | 15 |
Rated impulse voltage | KV | 6 | |
pollution level | 3 | ||
Insulation Materials | PA66 | ||
Flammability rating | V0 | ||
Applicable ambient temperature | – 40℃~+105℃ | ||
can choose colour | 7.5 spacing (white gray) | ||
Contact material | Phosphor bronze tinned | ||
Shrapnel material | Stainless steel | ||
Wiring | spring clip | ||
Applicable lead | 0.2-2.5 mm 2 types of conductors | ||
Stripping length | 8-9mm/ 0.33in | ||



TC01(5.0): Crimping tool, made of insulating material, 1 pin, off-white

TC02(5.0): Crimping tool, made of insulating material, 1 pin, off-white

TC04: Made of insulating material, suitable for male and female connectors with retaining pins, grey, for mounting on 35 rails