TCK5.0 series female connector with retainer
model | TCK5.0/001-XXP | ||
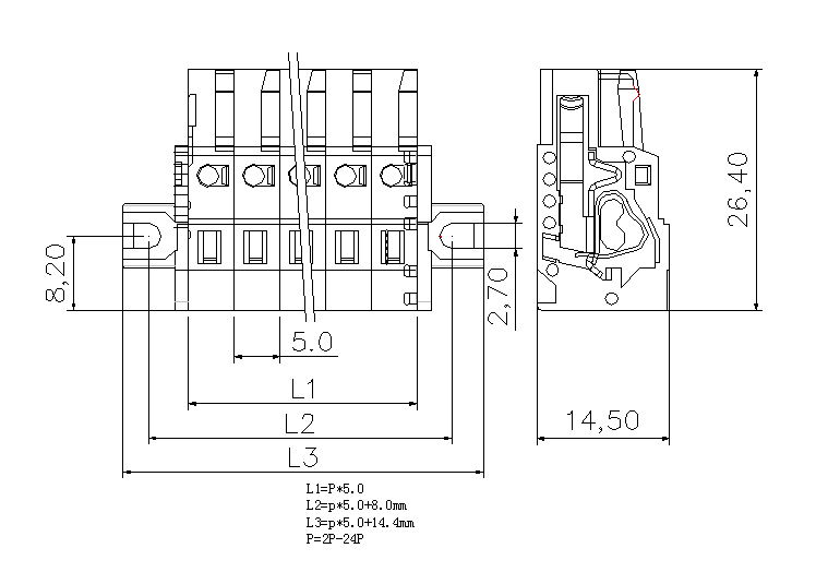
bit spacing | 5.0mm | ||
number of digits | 2-24P | ||
Wiring range | AWG/mm 2 | 24-14/0.2-2.5 | |
Technical data | IEC | UL | |
Rated voltage | V | 250 | 300 |
Rated current | A | 16 | 15 |
Rated impulse voltage | KV | 4 | |
pollution level | 3 | ||
Insulation Materials | PA66 | ||
Flammability rating | V0 | ||
Applicable ambient temperature | – 40℃~+105℃ | ||
can choose colour | 5.0 pitch (white grey) | ||
Contact material | Phosphor bronze tinned | ||
Shrapnel material | Stainless steel | ||
Wiring | spring clip | ||
Applicable lead | 0.2-2.5 mm 2 types of conductors | ||
Stripping length | 8-9mm/ 0.33in | ||



TC01(5.0): Crimping tool, made of insulating material, 1 pin, off-white

TC02(5.0): Crimping tool, made of insulating material, 1 pin, off-white

TC03(5.0): Jumper bridge, made of metal parts of insulating material, 2 pins, grey