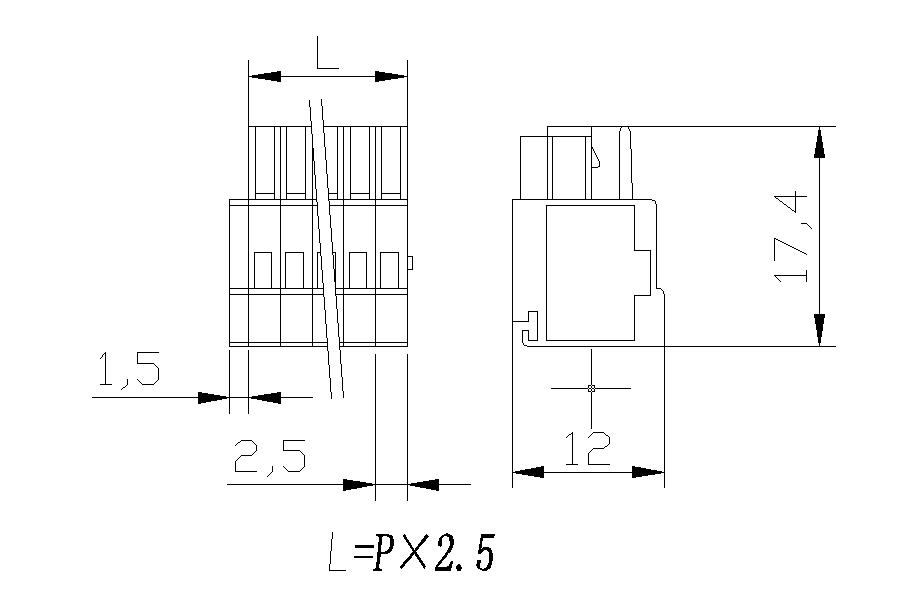
TCK2.5系列孔型連接器
型號 | TCK2.5-XXP | ||
位間距 | 2.5mm | ||
位數 | 2-12P | ||
接線范圍 | AWG/mm2 | 24-20/0.2-0.5 | |
技術數據 | IEC | UL | |
額定電壓 | V | 250 | 150 |
額定電流 | A | 4 | 4 |
額定沖擊電壓 | KV | 2.5 | |
污染等級 | 2 | ||
絕緣材料 | PA66 | ||
阻燃等級 | V0 | ||
適用環境溫度 | –40℃~+105℃ | ||
可選顏色 | 2.5間距(白灰色) | ||
接觸材料 | 磷青銅鍍錫 | ||
彈片材料 | 不銹鋼 | ||
接線方式 | 彈簧卡接 | ||
適用導線 | 0.2-0.5 mm2各類別導線 | ||
剝線長度 | 5-6mm/ 0.22in | ||

